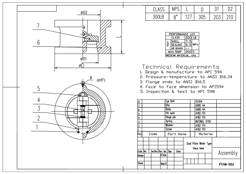
Cuerpo de válvula
|
A995 4a
|
Desct
|
API 594
|
Tipo de conexión
|
Oblea de rf
|
Dimensión cara a cara
|
API 594
|
Brida tenue
|
ANSI B16.5
|
Estándar de prueba
|
API 598
|
Temperatura a presión
|
ANSI B16.34
|
Válvula de retención de obleas de placa dual
Dibujo técnico

Características clave:
1. Fabricado con acero inoxidable dúplex A995 Grado 4A, esta válvula de retención de 8 "proporciona una excelente resistencia mecánica y resistencia a la corrosión.
2. Diseñada para los estándares API 594, la estructura de obleas de doble placa permite una instalación compacta y un rendimiento confiable sin retorno de menos de 300 lb.