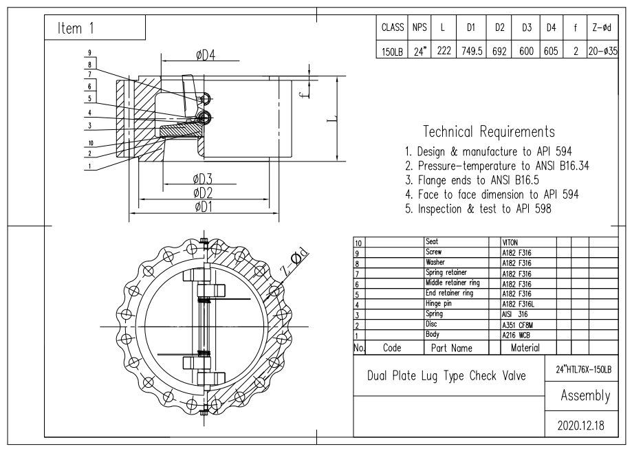
Cuerpo de válvula
|
A216 WCB
|
Desct
|
API 594
|
Tipo de conexión
|
Tipo de orejeta
|
Dimensión cara a cara
|
API 594
|
Brida tenue
|
ANSI B16.5
|
Estándar de prueba
|
API 598
|
Temperatura a presión
|
ANSI B16.34
|
Válvula de retención de obleas de placa dual
Dibujo técnico

Características clave:
1. Hecho de material WCB duradero, esta válvula de retención de 24 "garantiza una alta resistencia y un rendimiento confiable en sistemas de presión moderados.
2. El diseño de obleas de doble placa de tipo LUG cumple con la API 594, proporcionando una instalación compacta y una prevención efectiva de flujo de retroceso.