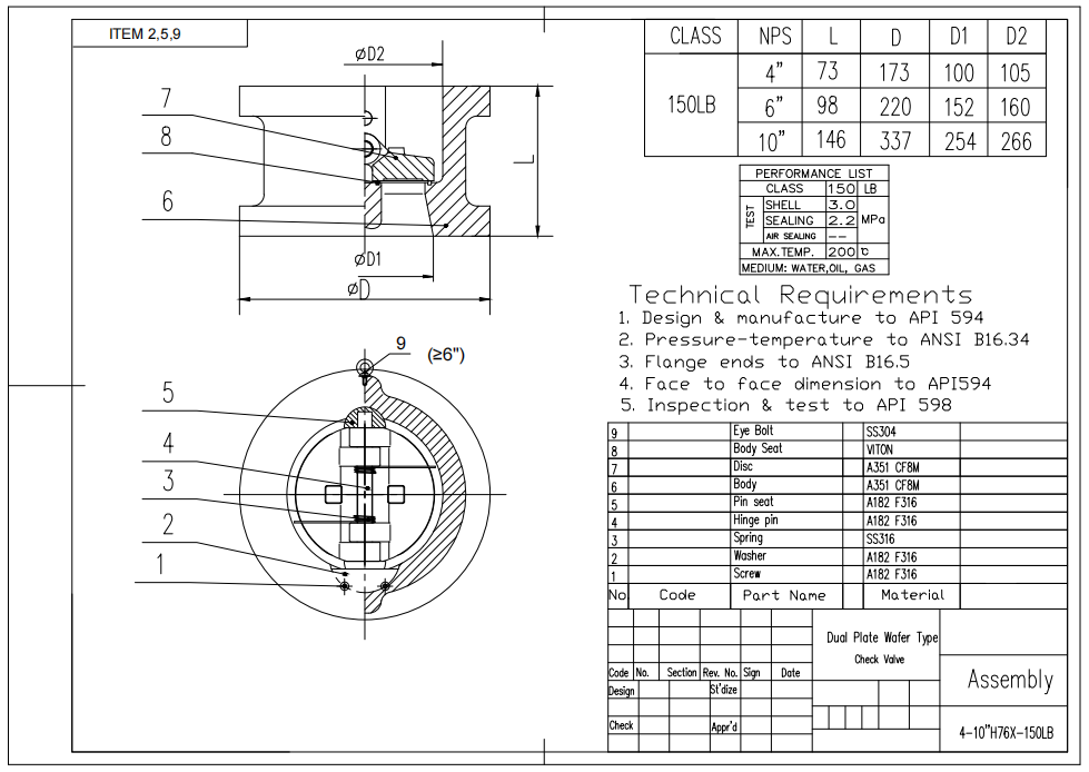
Cuerpo de válvula
|
A35
1 cf8m
|
Desct
|
API 594
|
Tipo de conexión
|
Tipo de RF de obleas
|
Dimensión cara a cara
|
API 594
|
Brida tenue
|
ANSI B16.5
|
Estándar de prueba
|
API 598
|
Temperatura a presión
|
ANSI B16.34
|
Válvula de retención de obleas de placa dual
Dibujo técnico

Características clave:
1. Construida a partir de acero inoxidable CF8M, esta válvula de retención de oblea de doble placa de 10 "garantiza una resistencia y durabilidad de corrosión superior en una amplia gama de aplicaciones.
2. Cumple con API 594, esta válvula presenta un diseño de doble placa que proporciona una prevención de flujo confiable e instalación de ahorro de espacio.