Amoybrand

Válvula de retención de obleas de doble placa de 20 "600 lb LCC API594
Válvula de retención de obleas de doble placa de 20 "600 lb LCC API594

Válvula de retención de obleas de doble placa de 20 "600 lb LCC API594

Dervos ofrece una válvula de verificación de oblea premium diseñada para exigentes aplicaciones industriales. Hecho por A352 LCC, 20 "600 lb, Válvula de retención de obleas de doble placa de 20 "600 lb tiene las características estructurales de la placa dual.

  • VÁLVULA :

    válvula de verificación de obleas
  • Material corporal :

    A352 LCC
  • Tamaño de la válvula :

    20"
  • Estándar de diseño :

    API 594
  • CONEXIÓN :

    CONEXIÓN
  • Max.temp. :

    300 ° C
  • Detalle del producto

 

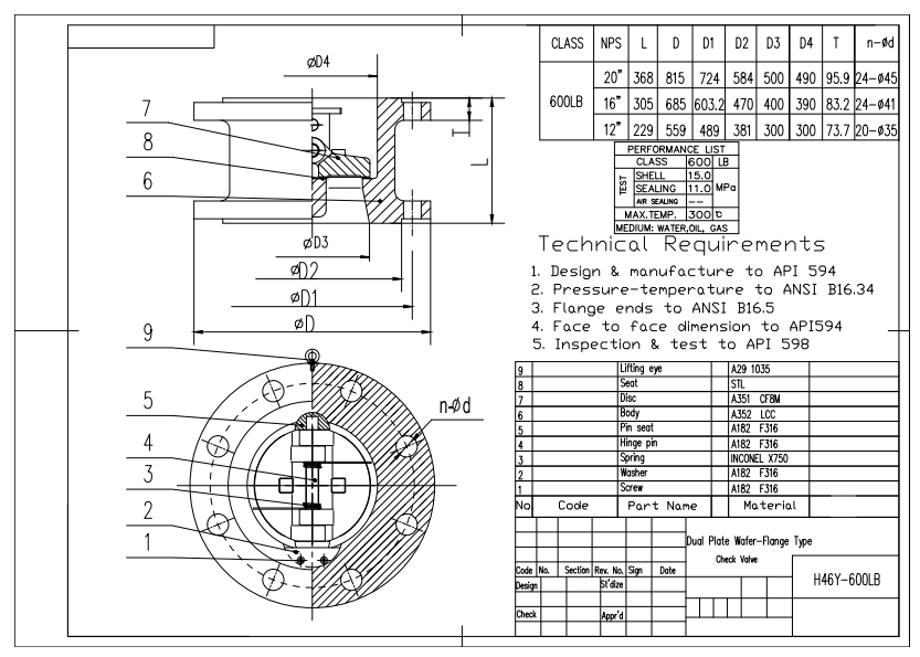
Válvula de retención de obleas de placa dual Dibujo técnico

 

Características clave:

  1. La válvula de control de obleas de doble placa de 20 "600 lb presenta un diseño de cuerpo LCC compacto que proporciona una excelente resistencia y resistencia a la corrosión en condiciones de alta presión.
  2. Cumple con los estándares API 594, esta válvula garantiza una prevención confiable de flujo de retroceso con una conexión de oblea que ahorra espacio para una fácil instalación de tuberías.

Cuerpo de válvula

A352 LCC

Desct

API 594

Tipo de conexión

RF de doble brida

Dimensión cara a cara

API 594

Brida tenue

ANSI B16.5

Estándar de prueba

API 598

Temperatura a presión

ANSI B16.34

dejar un mensaje

Si está interesado en nuestros productos y desea saber más detalles, deje un mensaje aquí, le responderemos tan pronto como podamos.
Categorías

Obtenga actualización diaria Nunca compartiremos su dirección de correo electrónico con un tercero.

dejar un mensaje
Si está interesado en nuestros productos y desea saber más detalles, deje un mensaje aquí, le responderemos tan pronto como podamos.