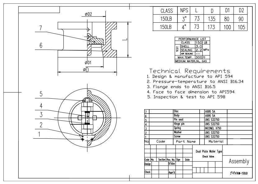
Cuerpo de válvula
|
A995 5A
|
Desct
|
API 594
|
Tipo de conexión
|
RF de doble brida
|
Dimensión cara a cara
|
API 594
|
Brida tenue
|
ANSI B16.5
|
Estándar de prueba
|
API 598
|
Temperatura a presión
|
ANSI B16.34
|
Válvula de retención de obleas de placa dual
Dibujo técnico

Características clave:
1. Hecho de acero inoxidable dúplex A995 Grado 5A, esta válvula de control de 4 "ofrece resistencia a la corrosión superior en entornos hostiles.
2. Cumple con API 594, el diseño de obleas de doble placa garantiza una prevención eficiente de flujo de retroceso e instalación de ahorro de espacio.