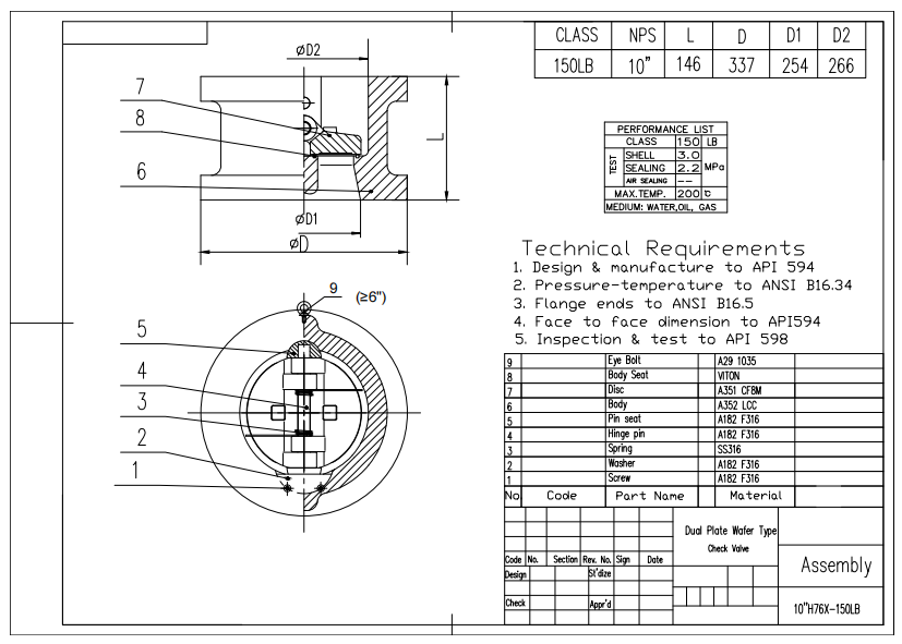
Cuerpo de válvula
|
A352 LCC
|
Desct
|
API 594
|
Tipo de conexión
|
RF de doble brida
|
Dimensión cara a cara
|
API 594
|
Brida tenue
|
ANSI B16.5
|
Estándar de prueba
|
API 598
|
Temperatura a presión
|
ANSI B16.34
|
Válvula de retención de obleas de placa dual
Dibujo técnico

Características clave:
1. Construida a partir del material LCC, esta válvula de retención de oblea de doble placa de 10 "150 lb ofrece una resistencia a baja temperatura y resistencia a la corrosión.
2. Diseñado con un cuerpo de obleas y extremos de RF, cumple con los estándares API para una prevención de flujo de retorno eficiente e instalación fácil entre bridas.